1
/
of
5
GYM
WALL BALL TARGET - GYM-ROX
WALL BALL TARGET - GYM-ROX
Regular price
R 1,949.25
Incl. VAT
Regular price
R 0.00
Sale price
R 1,949.25
Incl. VAT
Unit price
/
per
Taxes included.
Couldn't load pickup availability
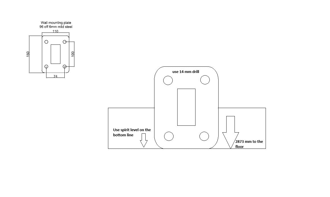
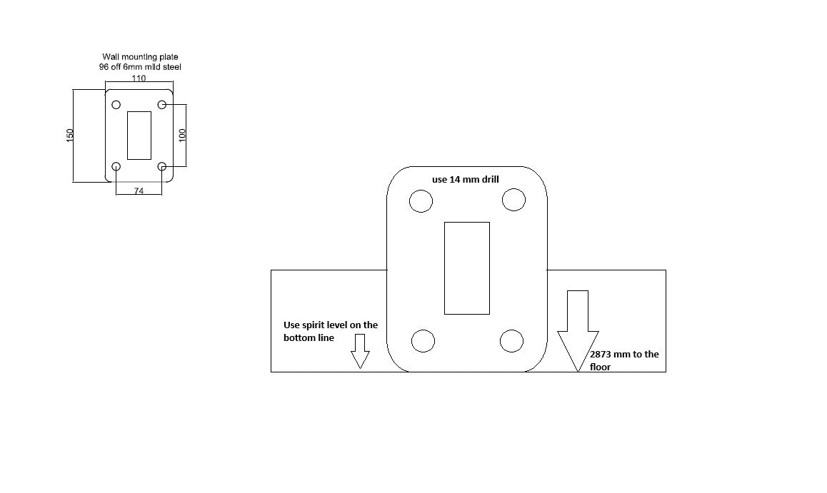
This wall ball target is suitable for competition and fineness center usage.
Comes will easy install drilling template.
- Women: 9 Feet height 2.7m (lower target)
- Men:10 Feet height 3m (higher target)
Share
